Артикул: TT-130

Мотор с редуктором 1:48 двусторонний

Нет оценок
0 отзывов

Мотор с редуктором 1:48 двусторонний — это надежный и эффективный компонент, который станет идеальным выбором для вашего проекта в области робототехники. Подходящий для использования с платформами Arduino, он подходит ка…

Характеристики

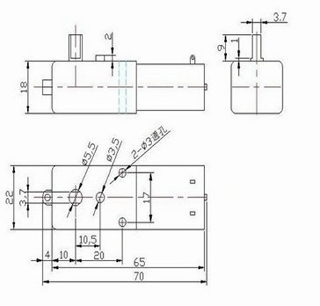
Ширина, мм 60
Длина, мм 60
Глубина, мм 20
Вес, гр 30

Мотор с редуктором 1:48 двусторонний — это надежный и эффективный компонент, который станет идеальным выбором для вашего проекта в области робототехники. Подходящий для использования с платформами Arduino, он подходит как для любителей, так и для профессионалов, работающих над созданием автономных устройств и механизмов.

Данная модель, артикул TT-130, обладает высоким качеством сборки и обеспечивает стабильную работу при различных нагрузках. Двусторонний режим позволяет менять направление вращения вала, что делает его универсальным для сборки различных механизмов, требующих обратного движения. Редуктор с передаточным числом 1:48 значительно увеличивает крутящий момент, что особенно важно для выполнения задач, требующих повышенной силы.

Мотор подходит для различных применений: от создания небольших мобильных роботов до сложных автоматизированных систем. Его использование может значительно улучшить производительность вашего проекта. Электрические характеристики позволяют работать с различными источниками питания, что обеспечивает большую гибкость в проектировании.

С данным мотором вы сможете легко реализовать свои идеи и задумки, создавая оригинальные устройства с высокой степенью функциональности и надежности.

Характеристики:

- Тип: Мотор с редуктором

- Артикул: TT-130

- Передаточное число: 1:48

- Направление вращения: Двустороннее

Ширина, мм 60
Длина, мм 60
Глубина, мм 20
Вес, гр 30

Отзывы о товаре (0)

Рейтинга пока нет
Он формируется на основе актуальных отзывов на заказанные и оплаченные товары.
Отзывы могут оставлять только те, кто купил товар. Так мы формируем честный рейтинг.
Подробнее о рейтинге
Бонусы за отзыв
Напишите подробный отзыв с фотографиями и получите бонусные баллы на следующие покупки.
Отзывов пока нет
Станьте первым, кто поделится впечатлениями о товаре. Ваш опыт поможет другим покупателям сделать правильный выбор.
Войдите, чтобы оценивать товары
Похожие товары